Combi-wandsysteem is een combinatie doorstalen damwandenen H-palen of buispijppalen, die hoge sectieprestaties kunnen bieden - hogere sectie modulus in de projecten. Combi-wandsystemen worden vaak gebruikt in haven-, haven-, scheepswerf- en havenbouwprojecten waar lange heiproducten nodig zijn.
De damwandcombi-wand kan in de volgende categorieën worden ingedeeld:
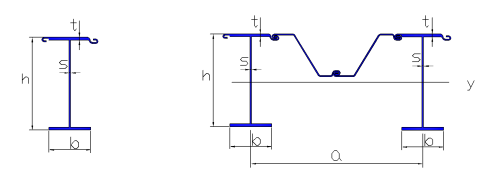
1. HZ-combimuur: dit betekent een combinatie van H-palen (SLHZ880MA, SLHZ880MB, SLHZ880MC, SLHZ1080MA, SLHZ1080MB, SLHZ1080MC, SLHZ1080MD, SLHZ1180MB, SLHZ1180MC, SLHZ1180MD) en Z-platen. De Z-palen kunnen ook worden vervangen door U-type damwanden en omega-typedamwanden.
T De H-palen hebben een vergrendelingssysteem om de damwanden te verbinden.

2. OZ-combimuur: dit betekent een combinatie van buisvormige buispalen (SSAW / SAWH-buispalen) en Z-damwanden. De Z-palen kunnen ook worden vervangen door U-type damwanden en omega-type damwanden.
I nterlocks zullen op de buispalen worden gelast zodat de buispalen met de Z kunnen verbindendamwanden.

Shunli Steel Group, als de grootste en toonaangevende fabrikant vanstalen damwandencombi wall in China, biedt verschillende combi wall oplossingen aan zijn klanten:
een. HZ Combi Wall
Shunli kon niet alleen de Z-palen aanbieden, maar ook H-palen produceren met vergrendelingen. Zowel koudgewalste vergrendelingen als warmgewalste C9-connectoren zijn op aanvraag beschikbaar.
b. OZ Combi Wall
Uitgerust met drie productielijnen van SSAW / SAWH buisvormige buispalen, zou Shunli ook buisvormige buispalen kunnen leveren met koudgewalste koppelingen en warmgewalste C9-connectoren.
Neem contact op met Shunli Steel Group voor meer informatie over damwanden, buispalen, connectoren en combiwanden.